○平川市公営共同墓地条例施行規則
平成18年1月1日
規則第111号
(趣旨)
第1条 この規則は、平川市公営共同墓地条例(平成18年平川市条例第123号。以下「条例」という。)の施行に関し必要な事項を定めるものとする。
(墓地の指定)
第3条 使用墓地は、市長があらかじめ定めた番号により指定するものとする。
2 前項の規定は、代理人を変更した場合について準用する。
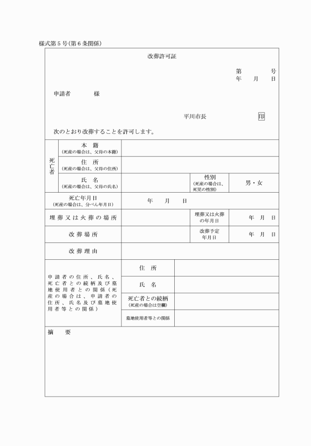
(改葬許可証の交付)
第6条 改葬許可を受けようとする者は、改葬許可申請書(様式第4号)を市長に提出しなければならない。
(1) 前使用者の許可証
(2) 戸籍謄本又は抄本その他承継原因を証明する書類
(3) 承継人の住民票の写し
(使用の制限等)
第10条 条例第10条第1項に規定する墓地の使用に関する制限等は、次に定めるものとする。
(1) 工作物の施設
ア 墓石及びこれに類する設備の高さは、3メートル以内とする。
イ 囲障の高さは、1メートル以内とする。
ウ 土留(盛土)の高さは、45センチメートル以内とする。
エ 高さとは、前面通路の地盤から設備の最高部までとする。
(2) 構築材料
土留(盛土)の設備は、コンクリート造又は石造等の永久的工作物とする。
(3) さく類の設備は、木造、石造、コンクリートその他市長が管理上適当と認める材料とする。
(墓地施設等工事の届出)
第11条 使用者は、墓地に墓石等及びこれに附属する工作物を新設し、又は改修等をしようとするときは、施設等工事着工届(様式第10号)を市長に提出しなければならない。
(1) 使用者が生活保護法(昭和25年法律第144号)に規定する保護を受けているとき。
(2) 前号に掲げるもののほか、市長が特に必要と認めるとき。
2 条例第15条ただし書の規定により墓地を返還しようとする者は、あらかじめ墓地現状返還申請書(様式第16号)により、市長の承認を得なければならない。
附則
(施行期日)
1 この規則は、平成18年1月1日から施行する。
附則(平成21年2月25日規則第2号)
この規則は、公布の日から施行する。
附則(平成23年3月23日規則第11号)
この規則は、平成23年4月1日から施行する。
附則(令和2年12月18日規則第30号)
この規則は、令和3年4月1日から施行する。
附則(令和7年3月4日規則第3号)
この規則は、令和7年4月1日から施行する。ただし、様式第4号及び様式第5号の改正規定は、令和8年4月1日から施行する。
















